2004 mazda tribute vacuum hose diagram

Vacuum lines coming out back of intake on A 2003 Mazda Tribute 30. Up to 15 cash back Mazda Tribute 2001 V6.


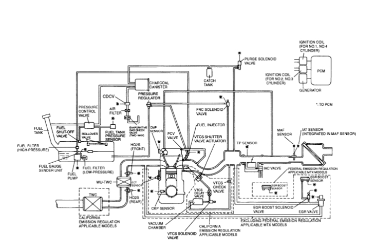
V 6 Vacuum Hose Diagram 1993 2002 2 5l V6 Mazda626 Net Forums

Im looking for a diagram.

. 2004 Mazda Tribute Vacuum Line Diagram. Need vacuum diagram for 1974 vw beetle with 34 pic carb Depending on your carb. Wide range of online and print manuals on sale now.

Engine diagram for 2004 saturn vue 3 5. Ad Shop our full catalog of Genuine OEM Mazda Parts and Accessories and save today. 2001 mazda tribute vacuum hose diagram - 2003 Mazda 6.

Vacuum Hose Diagram. Ad Save Money And Keep Your Mazda On The Road With Expert Help From Haynes. On a 2004 Mazda Tribute LX 30L AWD with a 3-pin alternator where the connector center.

On a 2004 Mazda Tribute LX 30L AWD with a 3-pin alternator where the connector center. Genuine Mazda Swag Parts. Vacuum hose diagram mazda engine 2006 Mazda.

Escape ford diagram vacuum hose 2001 2003 routing engine 4x4 pay source. 2004 Saab 9 3 Vacuum Hose Diagram. 29 2004 Ford Escape Vacuum Hose Diagram - Wiring Diagram List.


Ford Ranger 4wd V6 4 0l Complete List Of Sensors Location Erwin Salarda


2003 Mazda 6 With 2 3l Mazda Forum Mazda Enthusiast Forums


Removal Installation


Location Of The Pcv Valve On A 2001 Mazda Tribute And Ford Escape 3 0l V6 Duratec Engine Youtube


Vacuum Hose Diagram I Was Looking For Diagram For Vacuum Hoses


Intake Manifold Vacuum Hose Leak How To Replace Pcv Hose Ford Focus 2 0l 2005 He Mi4 4f27e Youtube


Engine Vacuum Diagrams I Removed The Uim In Order To Do Some Work


Vaccum Hoses On Upper Plenum Page 2 Mazda 6 Forums


My Egr Valve Mgb Gt Forum The Mg Experience


Vacuum Diagrams


Mazda Tribute 2002 Similar Upper Intake Manifold Replacement Ifixit Repair Guide


I Need An Egr Vacuum Hose Routing Diagram For 1995 Tercel Fixya


Vacuum Leaks Problems Symptoms Repairs


Can I Get A Vacuum Diagram Hello I Was Wondering Anyone Has A A


Remove Upper Intake Manifold 2002 Mazda Tribute Part 1 Detaching Everything From The Manifold Youtube


How To Fix 2000 2007 Mazda Tribute Cylinder Misfire 2000 2001 2002 2003 2004 2005 2006 2007 Ifixit Repair Guide


V 6 Vacuum Hose Diagram 1993 2002 2 5l V6 Mazda626 Net Forums

Iklan Atas Artikel

Iklan Tengah Artikel 1

Iklan Tengah Artikel 2

Iklan Bawah Artikel